Metric series Flange miniature pila gestus est genus ferre late in praecisione machina, praesertim idoneam ad apparatu cum limited spatium et altum perficientur elit. Tales gestus esse typically fabricari a summus qualis materiae ut eorum diuturnitatem et stabilitatem. Eius LABIUM Design praebet additional auxilium, facilitates installation, et potest etiam efficaciter reducere displacement in afferentem per operationem. Key features huius mini pila afferentem includit humilis coefficiens friction, summus gyratorius celeritate facultatem et optimum onus portantes facultatem. Conveniuntur varietate applications ut potentia instrumenta, robots, typographos et parva motores. In terms of Design, Metric Series Flante Miniature Ball Gestus et attendere ad details et plerumque available in diversas magnitudinum et configurationes in occursum necessitatibus diversis apparatu. Gustas solent pre-lubrica vel signatum.
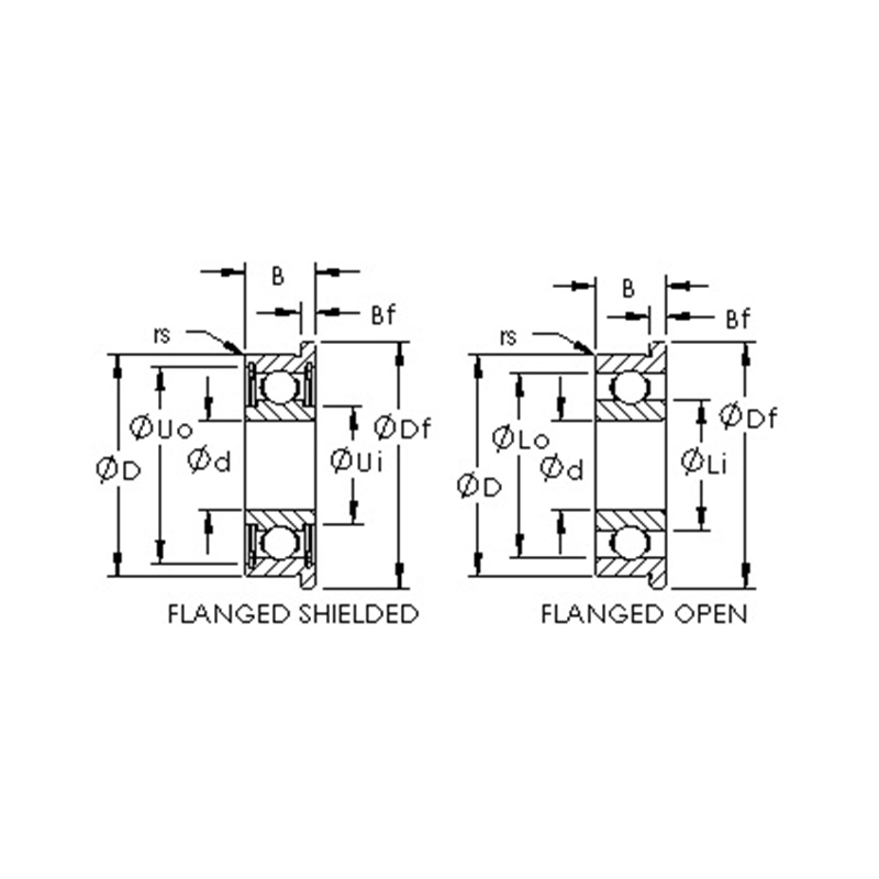
Parametri producti
| Uber numerus | Type | Dimensiones (mm) | Basic onus rating (n) | |||||
| d | D | B | DF | Bf | Dynamic Lond Rating (C) | Static Lond Rating (Cor) | ||
| F691 | Aperta Flanging Ball Gestus | 1 | 4 | 1.6 | 5 | 0.5 | 120 | 30 |
| Mf41x | Aperta Flanging Ball Gestus | 1.2 | 4 | 1.8 | 4.8 | 0.4 | 95 | 26 |
| F681X | Aperta Flanging Ball Gestus | 1.5 | 4 | 1.2 | 5 | 0.4 | 95 | 26 |
| F681xzz | Signatum fulsos pila gestus | 1.5 | 4 | 2 | 5 | 0.6 | 95 | 26 |
| F691x | Aperta Flanging Ball Gestus | 1.5 | 5 | 2 | 6.5 | 0.6 | 144 | 40 |
| F691xzz | Signatum fulsos pila gestus | 1.5 | 5 | 2.6 | 6.5 | 0.8 | 144 | 40 |
| F601x | Aperta Flanging Ball Gestus | 1.5 | 6 | 2.5 | 7.5 | 0.6 | 281 | 79 |
| F601xzz | Signatum fulsos pila gestus | 1.5 | 6 | 3 | 7.5 | 0.8 | 281 | 79 |
| F682 | Aperta Flanging Ball Gestus | 2 | 5 | 1.5 | 6.1 | 0.5 | 144 | 40 |
| 2rs F682 | Signatum fulsos pila gestus | 2 | 5 | 1.5 | 6.1 | 0.5 | 144 | 40 |
| F682zz | Signatum fulsos pila gestus | 2 | 5 | 2.3 | 6.1 | 0.6 | 144 | 40 |
| Mf52 | Aperta Flanging Ball Gestus | 2 | 5 | 2 | 6.2 | 0.6 | 144 | 40 |
| 2Rs Mf52 | Signatum fulsos pila gestus | 2 | 5 | 2 | 6.2 | 0.6 | 144 | 40 |
| Mf52zz | Signatum fulsos pila gestus | 2 | 5 | 2.5 | 6.2 | 0.6 | 144 | 40 |
| F692 | Aperta Flanging Ball Gestus | 2 | 6 | 2.3 | 7.5 | 0.6 | 281 | 79 |
| 2rs F692 | Signatum fulsos pila gestus | 2 | 6 | 3 | 7.5 | 0.8 | 281 | 79 |
| F692zz | Signatum fulsos pila gestus | 2 | 6 | 3 | 7.5 | 0.8 | 281 | 79 |
| Mf62 | Aperta Flanging Ball Gestus | 2 | 6 | 2.5 | 7.2 | 0.6 | 281 | 79 |
| 2Rs MF62 | Signatum fulsos pila gestus | 2 | 6 | 2.5 | 7.2 | 0.6 | 281 | 79 |
| Mf62zz | Signatum fulsos pila gestus | 2 | 6 | 2.5 | 7.2 | 0.6 | 281 | 79 |
| Mf72 | Aperta Flanging Ball Gestus | 2 | 7 | 2.5 | 8.2 | 0.6 | 328 | 103 |
| MF72 2Rs | Signatum fulsos pila gestus | 2 | 7 | 3 | 8.2 | 0.6 | 328 | 103 |
| Mf72zz | Signatum fulsos pila gestus | 2 | 7 | 3 | 8.2 | 0.6 | 328 | 103 |
| F602 | Aperta Flanging Ball Gestus | 2 | 7 | 2.8 | 8.5 | 0.7 | 328 | 103 |
| 2rs F602 | Signatum fulsos pila gestus | 2 | 7 | 2.8 | 8.5 | 0.7 | 328 | 103 |
| F602zz | Signatum fulsos pila gestus | 2 | 7 | 3.5 | 8.5 | 0.9 | 328 | 103 |
| F682X | Aperta Flanging Ball Gestus | 2.5 | 6 | 1.8 | 7.1 | 0.5 | 178 | 59 |
| 2rs F682X | Signatum fulsos pila gestus | 2.5 | 6 | 1.8 | 7.1 | 0.5 | 178 | 59 |
| F682xzz | Signatum fulsos pila gestus | 2.5 | 6 | 2.6 | 7.1 | 0.8 | 178 | 59 |
| F692X | Aperta Flanging Ball Gestus | 2.5 | 7 | 2.5 | 8.5 | 0.7 | 328 | 103 |
| 2rs F692X | Signatum fulsos pila gestus | 2.5 | 7 | 3.5 | 8.5 | 0.9 | 328 | 103 |
| F692xzz | Signatum fulsos pila gestus | 2.5 | 7 | 3.5 | 8.5 | 0.9 | 328 | 103 |
| Mf82x | Aperta Flanging Ball Gestus | 2.5 | 8 | 2.5 | 9.2 | 0.6 | 180 | 67 |
| 2rs mf82x | Signatum fulsos pila gestus | 2.5 | 8 | 2.5 | 9.2 | 0.6 | 180 | 67 |
| Mf82xzz | Signatum fulsos pila gestus | 2.5 | 8 | 2.5 | 9.2 | 0.6 | 180 | 67 |
| F602x | Aperta Flanging Ball Gestus | 2.5 | 8 | 2.8 | 9.5 | 0.7 | 469 | 142 |
| 2rs F602X | Signatum fulsos pila gestus | 2.5 | 8 | 4 | 9.5 | 0.9 | 469 | 142 |
| F602xzz | Signatum fulsos pila gestus | 2.5 | 8 | 4 | 9.5 | 0.9 | 469 | 142 |
| Mf63 | Aperta Flanging Ball Gestus | 3 | 6 | 2 | 7.2 | 0.6 | 178 | 59 |
| MF63 2Rs | Signatum fulsos pila gestus | 3 | 6 | 2 | 7.2 | 0.6 | 178 | 59 |
| Mf63zz | Signatum fulsos pila gestus | 3 | 6 | 2.5 | 7.2 | 0.6 | 178 | 59 |
| F683 | Aperta Flanging Ball Gestus | 3 | 7 | 2 | 8.1 | 0.5 | 264 | 90 |
| 2rs F683 | Signatum fulsos pila gestus | 3 | 7 | 3 | 8.1 | 0.8 | 264 | 90 |
| F683zz | Signatum fulsos pila gestus | 3 | 7 | 3 | 8.1 | 0.8 | 264 | 90 |
| Mf83 | Aperta Flanging Ball Gestus | 3 | 8 | 2.5 | 9.2 | 0.6 | 336 | 113 |
| 2Rs MF83 | Signatum fulsos pila gestus | 3 | 8 | 2.5 | 9.2 | 0.6 | 336 | 113 |
| Mf83zz | Signatum fulsos pila gestus | 3 | 8 | 3 | 9.2 | 0.6 | 336 | 113 |
| F693 | Aperta Flanging Ball Gestus | 3 | 8 | 3 | 9.5 | 0.7 | 474 | 114 |
| 2rs F693 | Signatum fulsos pila gestus | 3 | 8 | 4 | 9.5 | 0.9 | 474 | 144 |
| F693zz | Signatum fulsos pila gestus | 3 | 8 | 4 | 9.5 | 0.9 | 474 | 144 |
| Mf93 | Aperta Flanging Ball Gestus | 3 | 9 | 2.5 | 10.2 | 0.6 | 485 | 151 |
| Mf93 2r | Signatum fulsos pila gestus | 3 | 9 | 2.5 | 10.2 | 0.6 | 485 | 151 |
| Mf93zz | Signatum fulsos pila gestus | 3 | 9 | 4 | 10.6 | 0.8 | 485 | 151 |
| F603 | Aperta Flanging Ball Gestus | 3 | 9 | 3 | 10.5 | 0.7 | 230 | 151 |
| F603 2rs | Signatum fulsos pila gestus | 3 | 9 | 5 | 10.5 | 0.7 | 230 | 151 |
| F603zz | Signatum fulsos pila gestus | 3 | 9 | 5 | 10.5 | 1 | 230 | 151 |
| F623 | Aperta Flanging Ball Gestus | 3 | 10 | 4 | 11.5 | 1 | 536 | 175 |
| 2rs F623 | Signatum fulsos pila gestus | 3 | 10 | 4 | 11.5 | 1 | 536 | 175 |
| F623zz | Signatum fulsos pila gestus | 3 | 10 | 4 | 11.5 | 1 | 536 | 175 |
| Mf74 | Aperta Flanging Ball Gestus | 4 | 7 | 2 | 8.2 | 0.6 | 264 | 92 |
| MF74 2Rs | Signatum fulsos pila gestus | 4 | 7 | 2 | 8.2 | 0.6 | 264 | 92 |
| Mf74zz | Signatum fulsos pila gestus | 4 | 7 | 2.5 | 8.2 | 0.6 | 217 | 86 |
| Mf84 | Aperta Flanging Ball Gestus | 4 | 8 | 2 | 9.2 | 0.6 | 336 | 113 |
| 2Rs MF84 | Signatum fulsos pila gestus | 4 | 8 | 2 | 9.2 | 0.6 | 336 | 113 |
| Mf84zz | Signatum fulsos pila gestus | 4 | 8 | 3 | 9.2 | 0.6 | 336 | 113 |
| F684 | Aperta Flanging Ball Gestus | 4 | 9 | 2.5 | 10.3 | 0.6 | 545 | 182 |
| F684 2rs | Signatum fulsos pila gestus | 4 | 9 | 4 | 10.3 | 1 | 545 | 182 |
| F684zz | Signatum fulsos pila gestus | 4 | 9 | 4 | 10.3 | 1 | 545 | 182 |
| Mf104 | Aperta Flanging Ball Gestus | 4 | 10 | 3 | 11.2 | 0.6 | 604 | 218 |
| 2rs mf104 | Signatum fulsos pila gestus | 4 | 10 | 4 | 11.6 | 0.8 | 604 | 218 |
| Mf104zz | Signatum fulsos pila gestus | 4 | 10 | 4 | 11.6 | 0.8 | 604 | 218 |
| F694 | Aperta Flanging Ball Gestus | 4 | 11 | 4 | 12.5 | 1 | 814 | 280 |
| F694 2Rs | Signatum fulsos pila gestus | 4 | 11 | 4 | 12.5 | 1 | 814 | 280 |
| F694zz | Signatum fulsos pila gestus | 4 | 11 | 4 | 12.5 | 1 | 814 | 280 |
| F604 | Aperta Flanging Ball Gestus | 4 | 12 | 4 | 13.5 | 1 | 814 | 280 |
| 2rs F604 | Signatum fulsos pila gestus | 4 | 12 | 5 | 13.5 | 1 | 814 | 280 |
| F604zz | Signatum fulsos pila gestus | 4 | 12 | 5 | 13.5 | 1 | 814 | 280 |
| F624 | Aperta Flanging Ball Gestus | 4 | 13 | 5 | 15 | 1 | 1106 | 390 |
| F624 2Rs | Signatum fulsos pila gestus | 4 | 13 | 5 | 15 | 1 | 1106 | 390 |
| F624zz | Signatum fulsos pila gestus | 4 | 13 | 5 | 15 | 1 | 1106 | 390 |
| F634 | Aperta Flanging Ball Gestus | 4 | 16 | 5 | 18 | 1 | 1139 | 418 |
| F634 2rs | Signatum fulsos pila gestus | 4 | 16 | 5 | 18 | 1 | 1139 | 418 |
| F634zz | Signatum fulsos pila gestus | 4 | 16 | 5 | 18 | 1 | 1139 | 418 |
| Mf85 | Aperta Flanging Ball Gestus | 5 | 8 | 2 | 9.2 | 0.6 | 262 | 96 |
| 2rs Mf85 | Signatum fulsos pila gestus | 5 | 8 | 2.5 | 9.2 | 0.6 | 185 | 72 |
| Mf85zz | Signatum fulsos pila gestus | 5 | 8 | 2.5 | 9.2 | 0.6 | 185 | 72 |
| Mf95 | Aperta Flanging Ball Gestus | 5 | 9 | 2.5 | 10.2 | 0.6 | 366 | 135 |
| Mf95 2Rs | Signatum fulsos pila gestus | 5 | 9 | 3 | 10.2 | 0.6 | 366 | 135 |
| Mf95zz | Signatum fulsos pila gestus | 5 | 9 | 3 | 10.2 | 0.6 | 366 | 135 |
| Mf105 | Aperta Flanging Ball Gestus | 5 | 10 | 3 | 11.2 | 0.6 | 366 | 135 |
| 2Rs MF105 | Signatum fulsos pila gestus | 5 | 10 | 4 | 11.6 | 0.8 | 366 | 135 |
| Mf105zz | Signatum fulsos pila gestus | 5 | 10 | 4 | 11.6 | 0.8 | 366 | 135 |
| 2Rs mf115 | Signatum fulsos pila gestus | 5 | 11 | 4 | 12.6 | 0.8 | 609 | 226 |
| Mf115zz | Skited Flavy Ball Gestus | 5 | 11 | 4 | 12.6 | 0.8 | 609 | 226 |
| Mf115 | Aperta Flanging Ball Gestus | 5 | 11 | 4 | 12.6 | 0.8 | 609 | 226 |
| F685 | Aperta Flanging Ball Gestus | 5 | 11 | 3 | 12.5 | 0.8 | 609 | 226 |
| F685 2rs | Signatum fulsos pila gestus | 5 | 11 | 5 | 12.5 | 1 | 609 | 226 |
| F685zz | Signatum fulsos pila gestus | 5 | 11 | 5 | 12.5 | 1 | 609 | 226 |
| F695 | Aperta Flanging Ball Gestus | 5 | 13 | 4 | 15 | 1 | 916 | 346 |
| F695 2rs | Signatum fulsos pila gestus | 5 | 13 | 4 | 15 | 1 | 916 | 346 |
| F695zz | Signatum fulsos pila gestus | 5 | 13 | 4 | 15 | 1 | 916 | 346 |
| F605 | Aperta Flanging Ball Gestus | 5 | 14 | 5 | 16 | 1 | 1130 | 406 |
| 2rs F605 | Signatum fulsos pila gestus | 5 | 14 | 5 | 16 | 1 | 1130 | 406 |
| F605zz | Signatum fulsos pila gestus | 5 | 14 | 5 | 16 | 1 | 1130 | 406 |
| F625 | Aperta Flanging Ball Gestus | 5 | 16 | 5 | 18 | 1 | 1470 | 540 |
| F625 2rs | Signatum fulsos pila gestus | 5 | 16 | 5 | 18 | 1 | 1470 | 540 |
| F625zz | Signatum fulsos pila gestus | 5 | 16 | 5 | 18 | 1 | 1470 | 540 |
| F635 | Aperta Flanging Ball Gestus | 5 | 19 | 6 | 22 | 1.5 | 1986 | 717 |
| 2rs F635 | Signatum fulsos pila gestus | 5 | 19 | 6 | 22 | 1.5 | 1986 | 717 |
| F635zz | Signatum fulsos pila gestus | 5 | 19 | 6 | 22 | 1.5 | 1986 | 717 |
| Mf106 | Aperta Flanging Ball Gestus | 6 | 10 | 2.5 | 11.2 | 0.6 | 422 | 174 |
| 2Rs MF106 | Signatum fulsos pila gestus | 6 | 10 | 3 | 11.2 | 0.6 | 422 | 174 |
| Mf106zz | Signatum fulsos pila gestus | 6 | 10 | 3 | 11.2 | 0.6 | 422 | 174 |
| Mf126 | Aperta Flanging Ball Gestus | 6 | 12 | 3 | 13.2 | 0.6 | 609 | 236 |
| Mf126 2rs | Signatum fulsos pila gestus | 6 | 12 | 4 | 13.6 | 0.8 | 609 | 236 |
| Mf126zz | Signatum fulsos pila gestus | 6 | 12 | 4 | 13.6 | 0.8 | 609 | 236 |
| F686 | Aperta Flanging Ball Gestus | 6 | 13 | 3.5 | 15 | 1 | 920 | 354 |
| F686 2rs | Signatum fulsos pila gestus | 6 | 13 | 5 | 15 | 1.1 | 920 | 354 |
| F686zz | Signatum fulsos pila gestus | 6 | 13 | 5 | 15 | 1.1 | 920 | 354 |
| F696 | Aperta Flanging Ball Gestus | 6 | 15 | 5 | 17 | 1.2 | 1139 | 418 |
| 2rs F696 | Signatum fulsos pila gestus | 6 | 15 | 5 | 17 | 1.2 | 1139 | 418 |
| F696zz | Signatum fulsos pila gestus | 6 | 15 | 5 | 17 | 1.2 | 1139 | 418 |
| F606 | Aperta Flanging Ball Gestus | 6 | 17 | 6 | 19 | 1.2 | 1924 | 677 |
| F606 2rs | Signatum fulsos pila gestus | 6 | 17 | 6 | 19 | 1.2 | 1924 | 677 |
| F606zz | Signatum fulsos pila gestus | 6 | 17 | 6 | 19 | 1.2 | 1924 | 677 |
| F626 | Aperta Flanging Ball Gestus | 6 | 19 | 6 | 22 | 1.5 | 1986 | 717 |
| F626 2rs | Signatum fulsos pila gestus | 6 | 19 | 6 | 22 | 1.5 | 1986 | 717 |
| F626zz | Signatum fulsos pila gestus | 6 | 19 | 6 | 22 | 1.5 | 1986 | 717 |
| Mf117 | Aperta Flanging Ball Gestus | 7 | 11 | 2.5 | 12.2 | 0.6 | 387 | 162 |
| Mf117 2rs | Signatum fulsos pila gestus | 7 | 11 | 3 | 12.2 | 0.6 | 387 | 162 |
| Mf117zz | Signatum fulsos pila gestus | 7 | 11 | 3 | 12.2 | 0.6 | 387 | 162 |
| Mf137 | Aperta Flanging Ball Gestus | 7 | 13 | 3 | 14.2 | 0.6 | 460 | 221 |
| 2rs mf137 | Signatum fulsos pila gestus | 7 | 13 | 4 | 14.6 | 0.8 | 460 | 221 |
| Mf137zz | Signatum fulsos pila gestus | 7 | 13 | 4 | 14.6 | 0.8 | 460 | 221 |
| F687 | Aperta Flanging Ball Gestus | 7 | 14 | 3.5 | 16 | 1 | 997 | 410 |
| F687 2rs | Signatum fulsos pila gestus | 7 | 14 | 5 | 16 | 1.1 | 997 | 410 |
| F687zz | Signatum fulsos pila gestus | 7 | 14 | 5 | 16 | 1.1 | 997 | 410 |
| F697 | Aperta Flanging Ball Gestus | 7 | 17 | 5 | 19 | 1.2 | 1364 | 575 |
| 2rs F697 | Signatum fulsos pila gestus | 7 | 17 | 5 | 19 | 1.2 | 1364 | 575 |
| F697zz | Signatum fulsos pila gestus | 7 | 17 | 5 | 19 | 1.2 | 1364 | 575 |
| F607 | Aperta Flanging Ball Gestus | 7 | 19 | 6 | 22 | 1.5 | 1986 | 717 |
| 2rs F607 | Signatum fulsos pila gestus | 7 | 19 | 6 | 22 | 1.5 | 1986 | 717 |
| F607zz | Signatum fulsos pila gestus | 7 | 19 | 6 | 22 | 1.5 | 1986 | 717 |
| F627 | Aperta Flanging Ball Gestus | 7 | 22 | 7 | 25 | 1.5 | 2794 | 1103 |
| 2rs F627 | Signatum fulsos pila gestus | 7 | 22 | 7 | 25 | 1.5 | 2794 | 1103 |
| F627zz | Signatum fulsos pila gestus | 7 | 22 | 7 | 25 | 1.5 | 2794 | 1103 |
| Mf128 | Aperta Flanging Ball Gestus | 8 | 12 | 2.5 | 13.2 | 0.6 | 462 | 219 |
| Mf128 2rs | Signatum fulsos pila gestus | 8 | 12 | 3.5 | 13.6 | 0.8 | 462 | 219 |
| Mf128zz | Signatum fulsos pila gestus | 8 | 12 | 3.5 | 13.6 | 0.8 | 462 | 219 |
| Mf148 | Aperta Flanging Ball Gestus | 8 | 14 | 3.5 | 15.6 | 0.8 | 695 | 309 |
| 2rs mf148 | Signatum fulsos pila gestus | 8 | 14 | 4 | 15.6 | 0.8 | 695 | 309 |
| Mf148zz | Signatum fulsos pila gestus | 8 | 14 | 4 | 15.6 | 0.8 | 695 | 309 |
| F688 | Aperta Flanging Ball Gestus | 8 | 16 | 4 | 18 | 1 | 1064 | 474 |
| 2rs F688 | Signatum fulsos pila gestus | 8 | 16 | 5 | 18 | 1.1 | 1064 | 474 |
| F688zz | Signatum fulsos pila gestus | 8 | 16 | 5 | 18 | 1.1 | 1064 | 474 |
| F698 | Aperta Flanging Ball Gestus | 8 | 19 | 6 | 22 | 1.5 | 1902 | 734 |
| F698 2rs | Signatum fulsos pila gestus | 8 | 19 | 6 | 22 | 1.5 | 1902 | 734 |
| F698zz | Signatum fulsos pila gestus | 8 | 19 | 6 | 22 | 1.5 | 1902 | 734 |
| F608 | Aperta Flanging Ball Gestus | 8 | 22 | 7 | 25 | 1.5 | 2799 | 1103 |
| F608 2rs | Signatum fulsos pila gestus | 8 | 22 | 7 | 25 | 1.5 | 2799 | 1103 |
| F608zz | Signatum fulsos pila gestus | 8 | 22 | 7 | 25 | 1.5 | 2799 | 1103 |
| F679 | Aperta Flanging Ball Gestus | 9 | 14 | 3 | 15.5 | 0.8 | 781 | 374 |
| 2rs F679 | Signatum fulsos pila gestus | 9 | 14 | 4.5 | 15.5 | 0.8 | 781 | 374 |
| F679zz | Signatum fulsos pila gestus | 9 | 14 | 4.5 | 15.5 | 0.8 | 781 | 374 |
| F689 | Aperta Flanging Ball Gestus | 9 | 17 | 4 | 19 | 1 | 1128 | 534 |
| 2rs F689 | Signatum fulsos pila gestus | 9 | 17 | 5 | 19 | 1.1 | 1128 | 534 |
| F689zz | Signatum fulsos pila gestus | 9 | 17 | 5 | 19 | 1.1 | 1128 | 534 |
| F699 | Aperta Flanging Ball Gestus | 9 | 20 | 6 | 23 | 1.5 | 2097 | 865 |
| F699 2rs | Signatum fulsos pila gestus | 9 | 20 | 6 | 23 | 1.5 | 2097 | 865 |
| F699zz | Signatum fulsos pila gestus | 9 | 20 | 6 | 23 | 1.5 | 2097 | 865 |
| F609 | Aperta Flanging Ball Gestus | 9 | 24 | 7 | 27 | 1.5 | 2853 | 1155 |
| 2rs F609 | Signatum fulsos pila gestus | 9 | 24 | 7 | 27 | 1.5 | 2853 | 1155 |
| F609zz | Signabilis Flanging Ball Gestus | 9 | 24 | 7 | 27 | 1.5 | 2853 | 1155 |
De Yinin
Applicationes Industriae
Informationes Nuntiorum
Contact Us
Consultatio Technica
Solutiones Personalisatae
Investigatio et Progressio Continua
Qualitatis Moderatio
Subsidium Technicum et Instructio
Responsio Celeris
Si consultationem technicam vel responsum habes, tibi responsum quam primum professionalissimum praebebimus!