(XXXIII) series Tapered Rollerus afferentem
(XXXIII) series Tapered Rollerus afferentem
(XXXIII) series Tapered Rollerus afferentem

(XXXIII) series

In (XXXIII) series tapered cylinder afferentem Est summus perficientur volvens ferre late solebat ferre grave onerat et axial onerat. Hoc series gestus adoptat tapumed Rollerus consilio, quae efficaciter participes onera ex multa directiones providere altiorem rigorem firmitatem. Et tapited consilium de interioribus et exteriores annulos auget contactus area, ita improving onus-afferentem facultatem et gerunt resistentia. Hoc genus afferentem communiter in industriae machinatione, automobiles, railways, aviation et aliis agris, et maxime idoneam ad applications requiring princeps praecisione et efficientiam. (MMMCCC series gestus etiam habere bonum temperatus resistentia et corrosio resistentia, et potest operari in dura environments diu. Per rationabile lubricatae et sustentacionem, eius muneris vitae potest esse significantly extenditur et sustentacionem costs potest reduci. In variis specifications huius series canari potest obviam necessitatibus diversis teloneariorum et late in variis rotating apparatu.

Mitte inquisitionem

(MMMCCC (MMMDM series attenuatis cylindro afferentem - High praecisione & Long Vita Industrial

(XXXIII) series tapered cylinder afferentem Est summus praecisione, summus onus capacity volvens afferentem idoneam ad varietate industriae et mechanica applications. Hoc series gestus adoptas attenuatis cylindro et attenuatis raceway consilio potest ferre radiale et axial onerat simul et habet bona stabilitas et diuturnitatem.


Productum commoda

Maximum onus capacity
(XXXIII) series attenuatis cylinder afferentem adoptat tapeati cylindro structuram, quae potest ferre magnam radiale et axial onerat simul et idoneam gravibus officio conditiones.

Preces & Long Vita
Hoc series gestus adoptat praecisione vestibulum technology ut altus praecisione et longa vita. Eius superficiem duraturam curatio et optimized accentus distribution distribution consilio amplio lassitudine vitae et reliability de afferentem.

Multiplex exempla et cubits
In (MMMCC) series gestus sunt available in varietate exempla et magnitudinum in occursum necessitatibus diversis application missionibus. Exempli gratia, in (MMMCC) series includit (XXXIII), (XXXIII) I, (XXXIII) II alias exempla, idoneam diversis onus et celeritate conditionibus.

Fusce Service
Haec series in beata sustinet OEM Customization Service et customers potest customize secundum suum necessitates, comprehendo magnitudine, materia, sigillum type, etc.

Lateque ex applications
(XXXIII) series attenuatis cylindro gustas late in industriae machinatione, automobiles, agriculturae machinatione, exhaurrat, fans, elevators, metallurgical apparatu, metalla machinatione et aliis agris.

Tullius sigillum types
Haec series in gestus praebet a varietate sigillum types, ut aperto, z type, 2Z type, Rs type, 2RS type, etc., ad occursum ad seipsos in diversis ambitibus.

Multiple materia optiones
Haec series in potest utor a varietate materiae, ut GCR15, ferre ferro, etc., ut perficientur per diversas operationem conditionibus.


Product Application
Industrial Machinery: ut machine Tools, reducers, transmissione systems, etc.
Automobiles: ut engines, gearboxes, gubernaculo systems, etc.
Agricultural Machinery, ut messores, tractors, semine, etc.
Pumps et fans, ut centrifuga pumps, blanca, compressors, etc.
Elevators: ut tractu machinis, dux Rail systems, etc.
Metallurgical Equipment: ut volvite mola, crushers, conveyors, etc.
Mining Machinery: ut Excavators, onus, Crushers, etc.

Parametri producti

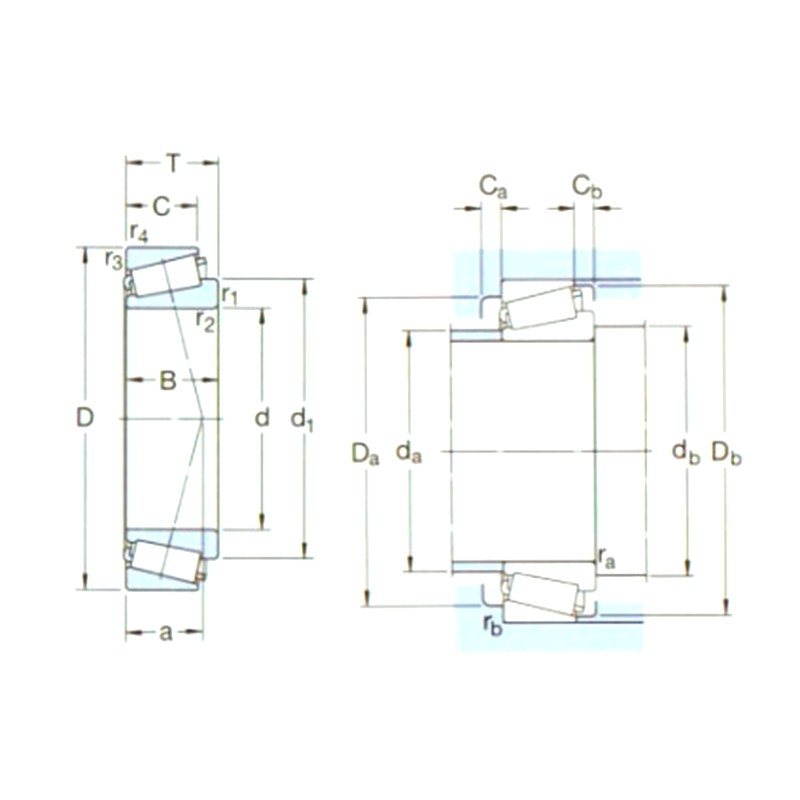
DEsignatio Principalem dimensiones (mm) Basic onus ratings (K) Pu Volo Ratings (RPM) Pondus (kg) Iso335 Dimensiones (mm) Abutment et filum dimensiones (mm) Valor
D1 D B DYC (CR) STC (Cor) Ratings celeritate RELIGIO Dimensiones (Abm) d D1 ~ B C R1,2 (min) R3,4 (min) a da (max) DB (min) Da (min) Da (max) DB (min) CA (min) CB (min) Ra (Max) RB (Max) e Y Io
(XXXIII) X / Q 50 80 24 80 102 11,4 6300 8000 0,4 5 2ce 50 64,9 24 19 1 1 17 56 56 72 74 76 4 5 1 1 0,31 1,9 1,1
(XXXIII) XI / Q 55 90 27 104 137 15,3 5600 7000 0,67 2ce 55 72,9 27 21 1,5 1,5 19 63 62 81 83 86 5 6 1,5 1,5 0,31 1,9 1,1
(XXXIII) XII / Q 60 95 27 106 143 16 5300 6700 0,71 2ce 60 77,1 27 21 1,5 1,5 20 67 67 85 88 90 5 6 1,5 1,5 0,33 1,8 1
(XXXIII) XIII / Q 65 100 27 110 153 17,3 5000 6300 0,78 2ce 65 82,5 27 21 1,5 1,5 21 72 72 89 93 96 5 6 1,5 1,5 0,35 1,7 0,9
33014 70 110 31 130 196 22,8 4300 5600 1,10 2ce 70 88,8 31 25,5 1,5 1,5 23 78 77 99 103 105 5 5,5 1,5 1,5 0,28 2,1 1,1
(XXXI) XV / Q 75 115 31 134 228 26 4000 5300 1,15 2ce 75 95 31 25,5 1,5 1,5 23 84 82 104 108 110 6 5,5 1,5 1,5 0,3 2 1,1
(XXXIII) XVI / Q 80 125 36 168 285 32 3600 5000 1,65 2ce 80 102 36 29,5 1,5 1,5 26 90 87 112 117 119 6 6,5 1,5 1,5 0,28 2,1 1,1
(XXXIII) XVII / Q 85 130 36 183 310 34,5 3600 4800 1,75 2ce 85 107 36 29,5 1,5 1,5 26 94 92 118 122 125 6 6,5 1,5 1,5 0,3 2 1,1
(XXX) XVIII / Q 90 140 39 216 355 39 3200 4500 2,20 2ce 90 113 39 32,5 2 1,5 27 100 98 127 132 135 7 6,5 2 1,5 0,27 2,2 1,3
(XXX) CCCXIX / Q 95 145 39 220 375 40,5 3200 4300 2,30 2ce 95 118 39 32,5 2 1,5 28 104 104 131 138 139 7 6,5 2 1,5 0,28 2,1 1,1
(XXXI) CCCXX / Q 100 150 39 224 390 41,5 3000 4000 2,40 2ce 100 122 39 32,5 2 1,5 29 109 108 135 142 143 7 6,5 2 1,5 0,3 2 1,1
(XXXIII) XXIII / Q 105 160 43 246 430 45,5 2800 3800 3,05 2DE 105 131 43 34 2,5 2 31 117 116 145 150 153 7 9 2 2 0,28 2,1 1,1
33022 110 170 47 281 500 53 2600 3600 3,85 2DE 110 139 47 37 2,5 2 34 123 121 152 160 161 7 10 2 2 0,28 2,1 1,1
33024 120 180 48 292 540 56 2600 3400 4,20 2DE 120 149 48 38 2,5 2 36 132 131 160 170 171 6 10 2 2 0,3 2 1,1
33030 150 225 59 457 865 86,5 2000 2600 8,15 2EE 150 188 59 46 3 2,5 48 164 162 200 213 217 8 13 2,5 2 0,37 1,6 0,9
31330XJ2 150 320 82 781 1020 100 1400 2000 29,5 7GB 150 234 75 50 5 4 96 181 170 251 303 300 9 32 4 3 0,83 0,72 0,4

De Yinin

Shanghai Yinin afferentem et Transmissus Company Conditum anno 2009, cum plus quam 20 annis experientiae in campo ferri sphaerici. Nos sumus Sinae (XXXIII) series Tapered Rollerus afferentem Fabricatores Et praebemus Personalizationem (XXXIII) series Tapered Rollerus afferentem Officina. Ab anno 1999, munere procuratorum Sinensium fabricatorum ferculorum fungimur et varia fercula exportamus. Hodie, in gregem ferculorum comprehensivum evoluti sumus, venditiones et fabricationem integrantes.

Applicationes Industriae

Gustas quoque ludere a valde amet partes rusticarum machinery. Sunt solebant support Rotating par...

Gestus late in automobiles. Sunt key supporting et rotating partes multorum movens partes in curr...

Used in auxilium, altitudo, angulus, iuncturam et rotating partibus medicinae apparatu.

Rotationis et motus et in Support et Guide partes Automation Equipment

In aedificationem structures, gestus potest esse ad coniungere diversis structural components.

In productio processus cibi et potiones, soleatur opus ad onerariam liquida et compressors sunt a...

Gustas sunt in aircraft et spatii engines ad firmamentum circumducitur components ut turbines, fa...

Internum Transmission Gears, sagittas, gubernaculo Gears et Steering Knuckles ad onerariam vehicl...

Informationes Nuntiorum

Disce Plus

2026-03-26

Quae sunt structurae Commoda utendi angulari Contacto D...
In machinatione mechanica alta praecisione, electio inter integras partes et coetus modulari saepe ultimam systematis stabilitatem determinat. Pro applicationibus gyratoriis quaerunt altam rigidita...

2026-03-19

Cur 6000 Ball Ferens Overheating, et Quomodo Optimized ...
In rerum subtilitate machinae rotationis, the (VI) pila afferentem componentia ubiquitosa est, favet pro facultate sua tam radiales quam axiales onera in pacto 10x26x8mm vestimentorum...

2026-03-12

Cur Cibus Gradus Steel Deep Groove Ball Bearings Essent...
In summo pali ambitu cibi et potus fabricandi, fides mechanica et salus biologica inseparabilia sunt. Electio immaculatam ferro profunda sinus pila gestus Est consilium machinalis critica qu...

Contact Us

SUBMIT

Consultatio Technica

  • Shanghai Yinin afferentem et Transmissus Company

    Solutiones Personalisatae

  • Shanghai Yinin afferentem et Transmissus Company

    Investigatio et Progressio Continua

  • Shanghai Yinin afferentem et Transmissus Company

    Qualitatis Moderatio

  • Shanghai Yinin afferentem et Transmissus Company

    Subsidium Technicum et Instructio

  • Shanghai Yinin afferentem et Transmissus Company

    Responsio Celeris

Si consultationem technicam vel responsum habes, tibi responsum quam primum professionalissimum praebebimus!

Contact Us