(XXXIII) C Series Tapered Rollerus afferentem
(XXXIII) C Series Tapered Rollerus afferentem
(XXXIII) C Series Tapered Rollerus afferentem

(XXXIII) C Series

Et (XXXIII) C serie taperati cylinder afferentem est summus perficientur ferre late in mechanica apparatu et habet optimum onus-afferentem facultatem et gerunt resistentia. Huiusmodi portantes adoptat tapumed Rollerus consilio, quae potest efficaciter dispergere onus et aptet ad magnum radiale et axes. Interiorem et exteriores circuli et scutulis de (XXXIII) C serie gestus sint praecisione machined ut bonum fit humilis friction damnum extendens muneris vitae. Praeterea, in afferentem signatum consilio prohibet intrusionem pulveris et impudicitiis, cursus fideles in dura environments. Non est in automobile, metalla, metallurgy et alia industries, et maxime idoneam ad gravibus-onus et summus temperatus operantes conditionibus. Et propriis lubricatae et sustentacionem, (XXXIII) C serie tapered cylindro gestus potest providere optimum perficientur et firmum operationem, occurrens in alta requisita in Gustas in modern industria.

Mitte inquisitionem

Parametri producti

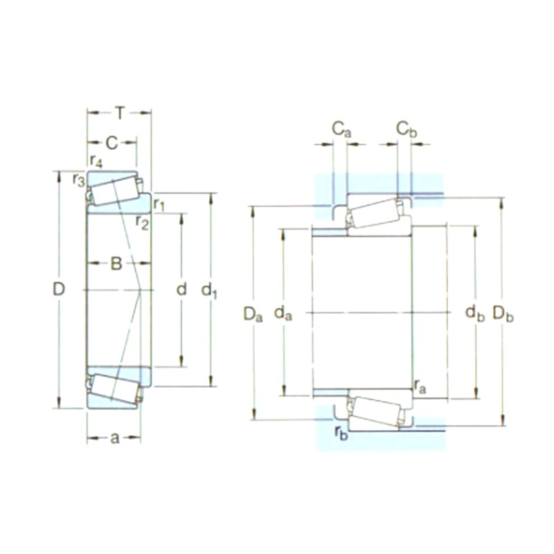
DEsignatio Principalem dimensiones (mm) Basic onus ratings (K) Pu Volo Ratings (RPM) Pondus (kg) Iso335 Dimensiones (mm) Abutment et filum dimensiones (mm) Valor
D1 D B DYC (CR) STC (Cor) Ratings celeritate RELIGIO Dimensiones (Abm) d D1 ~ B C R1,2 (min) R3,4 (min) a da (max) DB (min) Da (min) Da (max) DB (min) CA (min) CB (min) Ra (Max) RB (Max) e Y Io
(XXXIII) CVIII / Q 40 75 26 91,5 104 11,4 7000 9000 0,51 2ce 40 57,5 26 20,5 1,5 1,5 18 47 47 65 68 71 4 5,5 1,5 1,5 0,35 1,7 0,9
(XXXIII) CIX / Q 45 80 26 96,5 114 12,9 6700 8000 0,56 3ce 45 62,7 26 20,5 1,5 1,5 19 52 52 69 73 77 4 5,5 1,5 1,5 0,37 1,6 0,9
(XXXIII) CX / Q 50 85 26 100 122 13,4 6000 7500 0,59 3ce 50 67,9 26 20 1,5 1,5 20 57 57 74 78 82 4 6 1,5 1,5 0,4 1,5 0,8
(XXXIII) CXI / Q 55 95 30 110 156 17,6 5000 6700 0,86 3ce 55 75,1 30 23 1,5 1,5 22 63 62 83 88 91 5 7 1,5 1,5 0,37 1,6 0,9
(XXXIII) CXII / Q 60 100 30 134 170 19,6 5300 6300 0,92 3ce 60 80,4 30 23 1,5 1,5 23 67 67 88 93 96 5 7 1,5 1,5 0,4 1,5 0,8
(XXXIII) CXIII / Q 65 110 34 142 208 24 4300 5600 1,30 3DE 65 87,9 34 26,5 1,5 1,5 26 74 72 96 103 106 6 7,5 1,5 1,5 0,4 1,5 0,8
(XXXIII) CXIV / Q 70 120 37 172 250 30 4000 5300 1,70 3DE 70 94,8 37 29 2 1,5 28 80 79 104 112 115 6 8 2 1,5 0,37 1,6 0,9
(XXXIII) CXV / Q 75 125 37 176 265 31,5 3800 5000 1,80 3DE 75 100 37 29 2 1,5 29 84 84 109 117 120 6 8 2 1,5 0,4 1,5 0,8
(XXXIII) CXVI / Q 80 130 37 179 280 32,5 3600 4800 1,90 3DE 80 105 37 29 2 1,5 30 89 89 114 122 126 6 8 2 1,5 0,43 1,4 0,8
33116tn9 / Q 80 130 37 179 280 32,5 3600 4800 1,90 3DE 80 105 37 29 2 1,5 30 89 89 114 122 126 6 8 2 1,5 0,43 1,4 0,8
(XXXIII) CXVII / Q 85 140 41 220 340 38 3400 4500 2,45 3DE 85 112 41 32 2,5 2 32 95 95 122 130 135 7 9 2 2 0,4 1,5 0,8
(XXXIII) CXVIII / Q 90 150 45 251 390 43 3000 4300 3,10 3DE 90 120 45 35 2,5 2 35 101 101 130 140 144 7 10 2 2 0,4 1,5 0,8
33118tn9 / Q 90 150 45 251 390 43 3000 4300 3,10 3DE 90 120 45 35 2,5 2 35 101 101 130 140 144 7 10 2 2 0,4 1,5 0,8
33122 110 180 56 369 630 67 2600 3400 5,55 3EE 110 146 56 43 2,5 2 44 121 121 155 170 174 9 13 2 2 0,43 1,4 0,8

De Yinin

Shanghai Yinin afferentem et Transmissus Company Conditum anno 2009, cum plus quam 20 annis experientiae in campo ferri sphaerici. Nos sumus Sinae (XXXIII) C Series Tapered Rollerus afferentem Fabricatores Et praebemus Personalizationem (XXXIII) C Series Tapered Rollerus afferentem Officina. Ab anno 1999, munere procuratorum Sinensium fabricatorum ferculorum fungimur et varia fercula exportamus. Hodie, in gregem ferculorum comprehensivum evoluti sumus, venditiones et fabricationem integrantes.

Applicationes Industriae

Gustas quoque ludere a valde amet partes rusticarum machinery. Sunt solebant support Rotating par...

Gestus late in automobiles. Sunt key supporting et rotating partes multorum movens partes in curr...

Used in auxilium, altitudo, angulus, iuncturam et rotating partibus medicinae apparatu.

Rotationis et motus et in Support et Guide partes Automation Equipment

In aedificationem structures, gestus potest esse ad coniungere diversis structural components.

In productio processus cibi et potiones, soleatur opus ad onerariam liquida et compressors sunt a...

Gustas sunt in aircraft et spatii engines ad firmamentum circumducitur components ut turbines, fa...

Internum Transmission Gears, sagittas, gubernaculo Gears et Steering Knuckles ad onerariam vehicl...

Informationes Nuntiorum

Disce Plus

2026-02-26

Quae sunt differentiae Criticae Inter P6 et P5 Gradus S...
In alta subtilitate mundi Computer Numeralis Imperium (CNC) machinatio, exsecutio (VI) pila afferentem fundamentum est ad assequendum subtilitatem sub-micron. Ut opificis Dei 6000 series...

2026-02-19

Technical Analysis: Quae sunt differentiae principales ...
In agro subtilis operae altae, materiam rectam eligens immaculatam ferro profunda sinus pila gestus est deliberatio quae vitationem vitae ac salutem totius machinis dictat. Cum MCMXCI...

2026-02-12

Estne Steel Ball Ferens 6200 Necesse est Summus Humor I...
In campo motuum gyratorii machinalis, 6200 series est una e late e globum sulcum profunde adhibitum gestus ob mobilitatem suam et capacitatem radialem optimized. Attamen, cum operando in ambitus in...

Contact Us

SUBMIT

Consultatio Technica

  • Shanghai Yinin afferentem et Transmissus Company

    Solutiones Personalisatae

  • Shanghai Yinin afferentem et Transmissus Company

    Investigatio et Progressio Continua

  • Shanghai Yinin afferentem et Transmissus Company

    Qualitatis Moderatio

  • Shanghai Yinin afferentem et Transmissus Company

    Subsidium Technicum et Instructio

  • Shanghai Yinin afferentem et Transmissus Company

    Responsio Celeris

Si consultationem technicam vel responsum habes, tibi responsum quam primum professionalissimum praebebimus!

Contact Us